- 
                        What I like most about KeeTouch is their attitude towards the details. Each of them seems to be pursuing perfection. Every time I go to China, I like to visit their.
- 
                        KeeTouch is a professional company that can provide high quality product. They have helped us with product custom solution to suit our case. They pay much attention to
- 
                        KeeTouch Company has the best professional R&D team, particular thanks to KeeTouch CEO Mr Li who is an expert in the R&D touch industry for over 20 years
TFT LCD SAW Touch Monitor 22 Inch 1680×1050 For Gaming Machine
 
                Contact me for free samples and coupons.
Whatsapp:0086 18588475571
Wechat: 0086 18588475571
Skype: sales10@aixton.com
If you have any concern, we provide 24-hour online help.
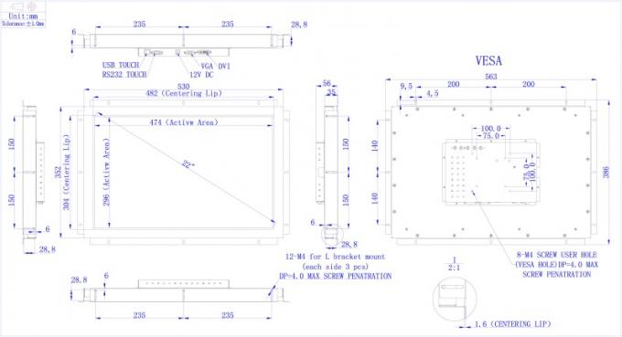
x| Display Type | 16:10 Ratio 22" TFT-LCD | Display Active Area | 376.32*301.06 (mm) | 
|---|---|---|---|
| Suggested Resolutionnse Time(Typ.) | 1680*1050@ 60Hz | Video Input | VGA/DVI | 
| Response Time | ≤8ms(USB) ; ≤12ms(RS232) | Contrast Ratio | 1000:1 | 
| Weight(N.W/G.W) | 7.4Kg(1pcs)/20.8Kg(2pcs In One Package | Product Name | SAW Touch Monitor | 
| High Light | SAW Touch Monitor 22Inch,TFT SAW Touch Monitor 22Inch,1680×1050 touch monitor 22 inch | ||
22 Inch SAW Touch Monitor With High Resolution TFT LCD Screen For Gaming Machine
SAW Touch Monitor Description:
KeeTouch SAW touch monitor delivers superior image clarity, resolution, light transmission, and reliability because it utilizes clear glass that continues to work even if scratched. The stable, drift-free operation of Surface Acoustic Wave touchscreen technology provides an accurate touch response measured on three axes using a finger, gloved hand, or passive stylus. Customized service is available from 7" to 43".
SAW Touch Monitor Specifications
| Complete Machine | ||
| Model No. | KOT-0220US-SA6BP (P/N:KOT-220P-014) | |
| Series | OT | |
| Display Type | 16:10 Ratio 22" TFT-LCD | |
| Active Area | 376.32*301.06 (mm) | |
| Monitor Dimensions (W*H*D) | 473.8 mm×296.1 mm | |
| Suggested Resolution | 1680*1050@ 60Hz | |
| Support Colors | 16.7M | |
| Brightness (Typ.) | Pure LCD Panel | 250cd/m2 | 
| With Touch Monitor | 225cd/m2 | |
| Response Time (Typ.) | 5ms | |
| Viewing Angle(Typ.at CR>10)) | Horizontal(left/right) | 85°/85° | 
| Vertical(up/down) | 80°/80° | |
| Contrast Ratio (Typ.) | 1000:1 | |
| Video Input | VGA/DVI | |
| Video Input connector | Mini D-Sub 15-pin VGA and DVI-D | |
| Frequency (H/V) | 30 -80KHz/ 60~75Hz | |
| Power Supply | Type: External brick Display voltage: DC 12V±5% Input (line) voltage: 100-240 VAC, 50-60 Hz | |
| Environment | Operating Temp. | 0~50°C | 
| Operating RH | 20%~80% | |
| Storage Temp. | -20~60°C | |
| Storage RH | 10%~90% | |
| MTBF | ≥30,000 Hours | |
| LED Back Light Life (Typ.) | ≥30,000 Hours | |
| Weight(N.W/G.W) | 7.4Kg(1pcs)/20.8Kg(2pcs in one package) | |
| Package dimensions | 635*190*435(mm)(2pcs in one package) | |
| Power Consumption | Standby Power: ≤1.5W / Operating Power: ≤30W | |
| Mount Interface | 1.VESA 75mm and 100mm 2.Mount bracket, horizontal or vertical mount | |
| OSD Control | Buttons | AUTO,+,POWER,-,MENU | 
| Function | Brightness, Contrast Ratio, Auto-adjust, Phase, Clock, H/V Location, Languages, Function, Reset | |
| Touch Screen Type | 22" Surface acoustic wave touch screen(6mm) | |
| Touch input | USB/RS232 | |
| Agency approvals | CCC, ETL, FCC, CE, CB, RoHS | |
| Regular Warranty | 1 year | |
SAW Touch Monitor Mechanical Dimensions

Applications
Widely used in industries such as retail, gaming, kiosk, self-service, finance, transit, conference, education, healthcare, public service, e-commerce, hotels, restaurants, travel service, payment systems, museums, exhibitions, smart home, subways, railway stations, control and operation systems, airports, entertainments, etc.

Our Advantages:
- Branch offices widely spreads all over the world,such as Russia,Brazil,Germany and India etc.
- Comply with ISO9001 quality system,ISO14001 environment management system and OC080000 limit harmful material management system certifications.
- Developing a large number of agents and distributors,offering world-wide sales networks and comprehensive after-sale service system.
- Products are certificated by CCC, UL, ETL, FCC, CE, CB, RoHS and other international certifications.
FAQ
1. Are you a manufacturer?
Yes, KeeTouch is a professional touch product manufacturer for over 16 years, located in Shenzhen, China.
2. What’s your MOQ for SAW touch monitor?
Our minimum order quantity is 1pc only.
3. What is your warranty period for SAW touch monitor?
Our regular warranty is 12 months for all the products, with 2-3 years Warranty (optional).
4. Can you produce the product according to the customer's requirements?
Sure, with 40+ Professional R & D engineers, OEM and ODM are offered.
5. What package do you provide for the SAW touch monitor?
Our package usually is carton.
6. What is your delivery time for SAW touch monitor?
3-5 work days for inventory orders, 7-15 business days for bulk production.
 






 
                                 
                                
                                
                                 
                                                                 
                                                            





